Industry application
PV Inverter
Application Overview
PV Inverter Application Overview

Photovoltaic (PV) power generation system is a power generation system that utilizes the photovoltaic cell's photovoltaic effect to directly convert solar radiation energy into electrical energy. It is a kind of clean, safe and renewable energy resource. The photovoltaic power generation process does not pollute the environment or damage the ecology. 


Marching Power is committed to providing optimal power solutions for photovoltaic systems with SiC products, IGBT discrete and IGBT module products.


PV Inverter
Application System Diagram
PV Inverter Application System Diagram
PV Inverter
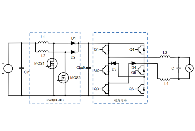
Application Topology Diagram
PV Inverter Application Topology Diagram
PV Inverter
Recommended Products

IGBT Discretes Product List

Part Number VCE(V) Ic(A)@100℃ Vcesat(V) @25℃
typ
Eon(mJ) Eoff(mJ) Package Datasheet
MPBL75N120BF 1200 75 1.9 5.4 4.1 TO-264 Download
MPBQ75N120E 1200 75 1.58 4.97 3.42 TO-247 plus Download
MPBQ50N120B 1200 50 1.8 5.5 3.21 TO-247 plus Download
MPBW40N120E 1200 40 1.7 2.56 2.13 TO-247 Download
MPBW40N120BF 1200 40 1.85 1.6 3.0 TO-247 Download
MPBW15N120BF 1200 15 1.8 1.17 0.95 TO-247 Download
MPBW50N65EH 650 50 1.54 1.14 1.26 TO-247 Download
MPBW50N65E 650 50 1.6 1.22 1.2 TO-247 Download